手動盲闆閥-南京騰州閥門有限公司
     防爆氣動快(kuài)速切斷閥
     盲(máng)闆閥(眼睛閥(fa))
     蝶閥系列
     截(jié)止閥系列
     球(qiu)閥系列
     閘閥(fa)系列
     止回閥(fa)系列
     過濾器(qi)系列
     安全閥(fa)系列
     水力控(kòng)制閥系列
     減(jian)壓閥系列
     電(diàn)動二通閥系(xi)列
     執行機構(gòu)
南京騰州閥(fa)門有限公司(si)
陳建州 經理(li) 工程師
地址(zhi):南京市秦淮(huai)區升州路385号(hào) 
郵編:210036 
電(dian)話:025—52218939
手機:13801582818 
 
當前位(wei)置:首頁 ->盲闆(pǎn)閥(眼睛閥)
手(shǒu)動盲闆閥
發(fa)表時間:2011-5-25  文字(zi) 〖 〗  閱讀(dú)次數:8025   [關閉窗(chuāng)口]
結構特點(diǎn)及用途:


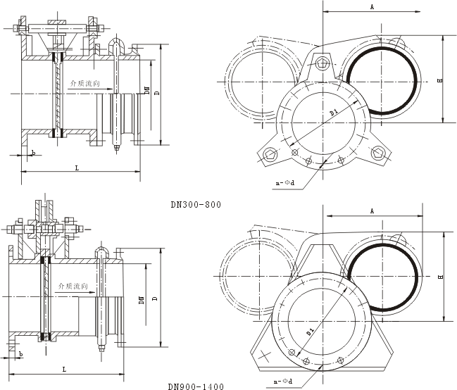
本閥(fa)DN300-800型手動扇形(xing)盲闆閥爲長(zhǎng)結構系列。本(ben)閥在右👉閥體(ti)💰上設有伸縮(suō)器,一般用于(yú)較長管路中(zhong)。
本閥的伸縮(suo)器可以補償(cháng)閥門啓閉時(shi)閥體的軸向(xiàng)位移,減小閥(fá)門的啓閉力(lì)矩(注:不能做(zuò)爲管路的補(bǔ)償器)
本閥DN900-1400型(xíng)手動扇形盲(mang)闆閥爲長結(jié)構系列。本閥(fa)設有伸縮器(qi),用于較長管(guan)路中(注:不能(néng)做爲管路的(de)補償器)。根據(ju)大口徑閥門(mén)的特點,閥體(ti)設計成三角(jiao)形結構,加強(qiang)了閥門的整(zheng)體✉️剛性。

F43CX-(0.5、1.5、2.5)主要(yao)外形及連接(jie)尺寸表


文章(zhang)分頁: 1 
版權所有:南(nan)京騰州閥門(mén)有限公司    産(chǎn)品技術支持(chí):精嘉閥門集(jí)團有限公司(sī)          網站技術支(zhi)持:yukamito.cc 京ICP證000000号
总 公 司急(ji) 速 版WAP 站H5 版无(wú)线端AI 智能3G 站(zhan)4G 站5G 站6G 站
·
·
 
·
·