氣動薄膜調節閥-南京騰州閥門有限公司
     防爆氣動快速切(qie)斷閥
     盲闆閥(眼睛(jīng)閥)
     蝶閥系列
     截止(zhi)閥系列
     球閥系列(lie)
     閘閥系列
     止回閥(fá)系列
     過濾器系列(liè)
     安全(quan)閥系列
     水力控制(zhì)閥系列
     減壓閥系(xì)列
     電動二通閥系(xì)列
     執行機(ji)構
南(nán)京騰州閥門有限(xiàn)公司
陳建州 經理(li) 工程師
地址:南京(jing)市秦淮區升州路(lù)385号 
郵編:210036 
電話(huà):025—52218939
手機:13801582818 
 
當(dang)前位置:首頁 ->調節(jie)閥系列
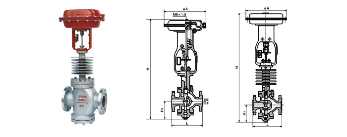
氣動薄膜(mo)調節閥
發表時間(jian):2011-5-26  文字 〖 〗  閱讀(dú)次數:5188   [關閉窗口]

公(gōng)稱通徑DN

L ZMAP型
Type
ZMAP型
Type
ØA 輸出(chu)壓力 額定流量系(xi)數C
單座 雙座
PN1.6
(MPa)
PN6.4
(MPa)
H H1 H H 1 0.2 0.4 0.2 0.4 單座(zuò) 雙座
常溫型 散熱(re)型 常溫型 散熱型(xing) 允許壓蓋 允許壓(ya)蓋
20 180 190 654 799 93 - - - 280 13 27 - - 1.2-5 -
25 185 205 669 725 110 679 785 117 8 16 54 64 8 10
32 200 220 680 786 120 684 790 120 5 11 44 64 12 16
40 220 240 754 854 130 774 874 138 325 5 10 46 64 20 25
50 250 265 785 885 145 785 885 144 3 6 38 64 32 40
65 275 295 991 1138 180 1011 1158 188 410 3 6 47 64 50 63
80 305 325 1008 1162 190 1042 1196 208 2 4 36 64 80 100
100 350 370 1015 1169 195 1065 1210 220 1.2 2.4 28 56 120 160
125 410 440 1268 1461 240 1318 1501 267 495 1.2 2.4 37.5 64 200 250
150 450 475 1286 1469 250 1340 1523 278 0.8 1.6 27 54 280 400

特點:

  1. 單座調節(jie)閥:具有易密封,洩(xiè)露量少的特點,但(dàn)不平✌️衡力較大,故(gù)工作壓差不宜過(guo)高。
  2. 雙座調節閥:具(ju)有額定流量系數(shu)大,不平衡力小等(děng)優點,因而被🔞廣泛(fàn)應用。

文章分頁: 1 
总(zong) 公 司急 速 版WAP 站H5 版(ban)无线端AI 智能3G 站4G 站(zhàn)5G 站6G 站
 
·