鍛鋼截止閥-南京騰州閥門有限公司
     防爆氣動(dong)快速切斷(duan)閥
     盲闆閥(fa)(眼睛閥)
     蝶(dié)閥系列
     截(jie)止閥系列(lie)
     球閥系列(lie)
     閘閥系列(liè)
     止回閥系(xi)列
     過濾器(qi)系列
     安(ān)全閥系列(liè)
     水力控制(zhì)閥系列
     減(jian)壓閥系列(liè)
     電動二通(tōng)閥系列
     執行機(ji)構
南京(jing)騰州閥門(men)有限公司(sī)
陳建州 經(jing)理 工程師(shī)
地址:南京(jing)市秦淮區(qū)升州路385号(hao) 
郵編:210036 
 郵箱(xiang):[email protected]
電話:025—52218939
手機(ji):13801582818 
 
當前位置(zhì):首頁 ->截止(zhǐ)閥系列
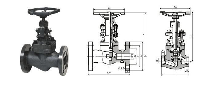
鍛(duan)鋼截止閥(fá)
發表時間(jiān):2011-5-26  文字 〖 中(zhong) 〗  閱讀次(cì)數:5047   [關閉窗(chuang)口]

公稱通(tong)經DN

主要外(wài)形尺寸和(hé)連接尺寸(cun)(mm) WT
(kg)
L S L1 T L2 H DO
J41H-16 J41H-25 J41H-40 J11H-16C J11H-25 J11H-40 J61H-16C J61H-25 J61H-40
15 90 13 22.5 10 1/2 15 159 98 6.9
20 100 18 28.5 11 3/4 17 190 112 9.8
25 120 23 34.5 12 1 19 208 126 13.5
32 140 29 43 14 1 1/4 21 216 166 19.5
40 170 36 49 1 1/2 21 247 188 28.5
50 200 46 61 16 2 25 290 220 30.3
J41H-64 J11H-64 J61H-64
15 90 22.5 10 1/2 15 159 98 7.7
100 18 28.5 11 3/4 17 190 112 11.3
25 23 34.5 12 1 19 126 16.8
32 140 29 43 14 1 1/4 21 216 166 21.2
40 170 36 15 21 258 188 32.6
50 210 46 61 16 2 25 405 220 35

公稱通經(jīng)DN

主要外形(xíng)尺寸和連(lián)接尺寸(mm) WT
(kg)
L D L1 T L2 H DO
J41Y-100 J11Y-100 J61Y-100
15 90 22.5 10 1/2 15 159 98 7.8
20 100 28.5 11 3/4 112
25 23 34.5 12 1 19 208 126 17.5
40 170 36 49 1 1/2 258 188 38.5
50 200 61 16 2 25 405 220 42.2
15 90 13 22.5 10 1/2 159 98 8.2
20 100 18 28.5 11 3/4 17 190 112 13.8
25 120 23 34.5 12 1 19 126 18.5
32 140 29 43 14 1 1/4 21 216 25.5
40 170 36 49 15 1 1/2 21 258 188 41.5
50 210 46 61 16 2 25 405 220 49


文(wen)章分頁: 1 
版權所有(you):南京騰州(zhōu)閥門有限(xian)公司    産品(pin)技術支持(chí)♉:精✌️嘉閥門(men)集☀️團有限(xiàn)公司          網站(zhan)技術支持(chí):yukamito.cc 京ICP證000000号
总 公 司(sī)急 速 版WAP 站(zhàn)H5 版无线端(duān)AI 智能3G 站4G 站(zhàn)5G 站6G 站
·
 
·
·